
2022-05-06|admin
Download the CAD drawing of PLN precision spur gear planetary gearbox online. This PLN planetary gearbox has high sealing performance and will not lose its own rigidity in the case of high performance. It is suitable for applications requiring high performance and torque. This PLN gearbox is equipped with preloaded tapered roller bearings and self-developed seals to ensure that the gearbox can still provide excellent performance in the case of splashing water and dust.
PLN precision planetary gearbox CAD drawings can be downloaded online, PLN model structure and dimension drawings, you can contact technical or customer service to provide gearbox application load application information, dynamic load diagrams of different applications or industries, and the application load drawings of common motors with gearboxs in the market are all Downloadable.
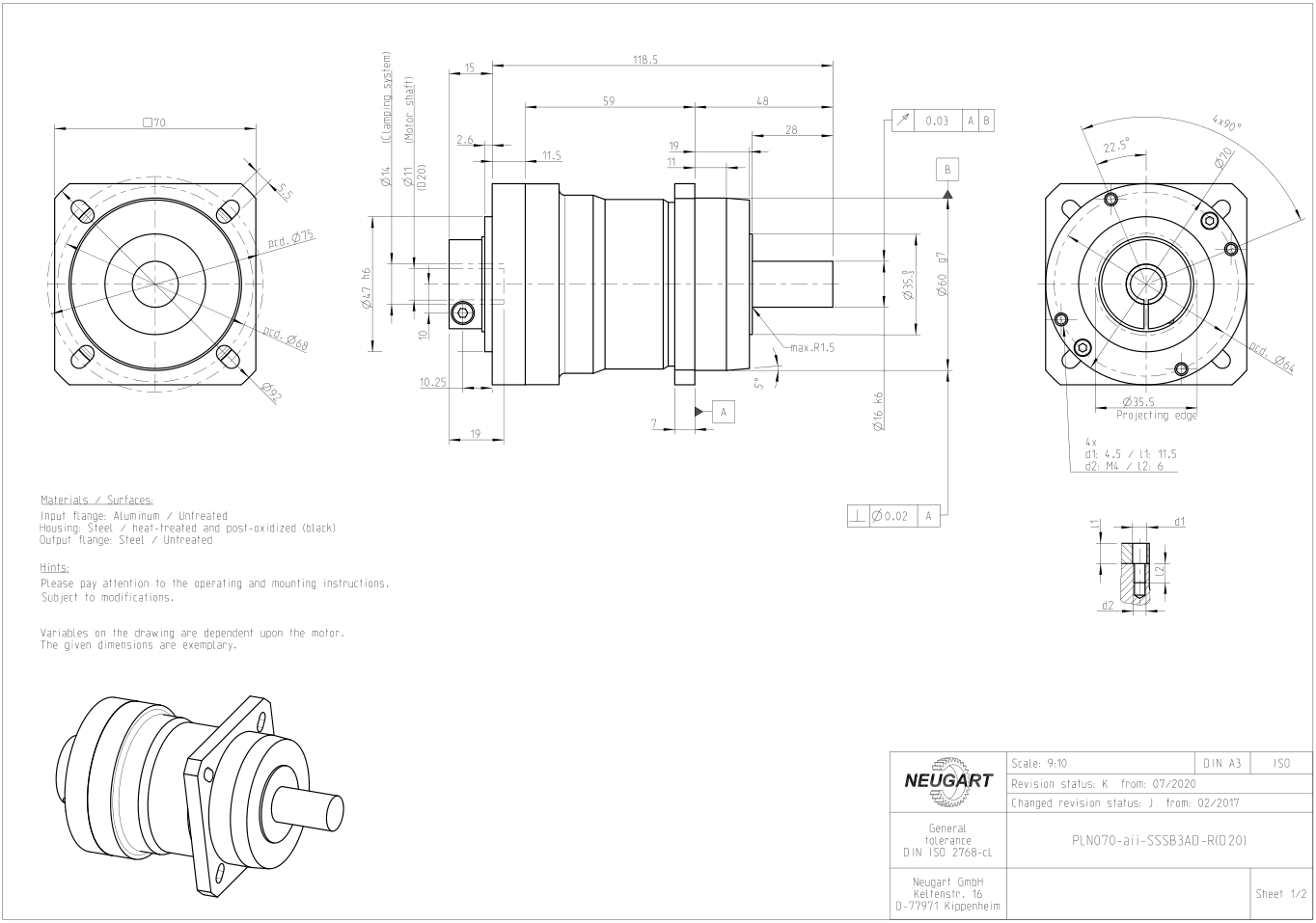
Example of basic dimension drawing of some models of PLN planetary gearbox:
Structure and dimension drawing of PLN70 gearbox
Structure and dimension drawing of PLN90 gearbox
Structure and dimension drawing of PLN115 gearbox
PLN high-precision planetary gearbox size drawing download:
